欢迎访问苏州久然智能科技有限公司! 网站地图
全国咨询热线:

13328028035

RESEARCH AND DEVELOPMENT, PRODUCTION, AND SALES OF INDUSTRIAL LENSES

工业镜头研发、生产、销售一站式提供商

产品中心

当前位置: 首页   >  产品中心  >  工业镜头
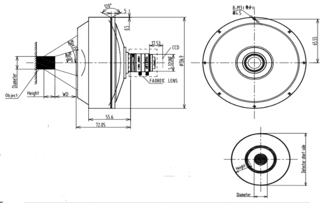
外360镜头

化视觉系统结构,测量物体最小至4.5mm(外壁)

紧凑型设计和高分辨率性能

用于实现小物体的360°侧视图

适用于检测***容器,塑料盖,预成型件,瓶颈,螺丝和其他螺纹物体等组件

咨询电话:13328028035
详细介绍
备案/许可证编号为:苏ICP备2024098039号
在线客服
微信咨询
微信客服
微信客服